

全國服務熱線
一體化氣浮裝置
一、概述
氣浮分離設備是一種去除各種工業和市政污水中的固體懸浮物、油脂及各種膠狀物的設備。該氣浮設備具有設備占地少、耗電少、固液分離效率高、操作簡單、易于管理等優點。
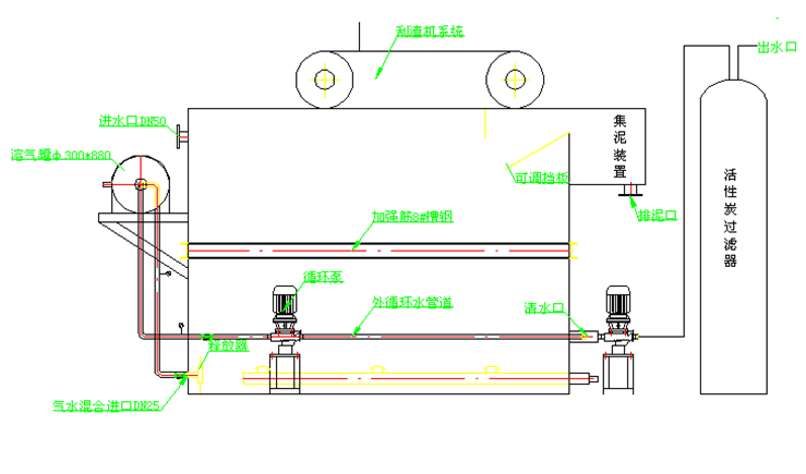
二、工作原理及工藝說明

氣浮是使懸浮物附著氣泡而上升到水面,從而分離水和懸浮物的水處理方法。也有使水中表面活性劑附著在氣泡表面上浮,從而與水分離,稱為泡沫氣浮法。氣浮法使用的設備,包括完成分離過程的氣浮池和產生氣泡的附屬設備。水處理中,氣浮法可用于沉淀法不適用的場合,以分離比重接近于水和難以沉淀的懸浮物,例如油脂、纖維、藻類等,也可用以濃縮活性污泥。
容器水在0.3-0.5MPa的工作壓力的情況下,使空氣*大程限度地溶入水中,通過微孔釋放,形成微小氣泡。在廢水中加入絮凝劑PAC或PAM,經過10min的有效絮凝反應,形成絮體。微氣泡和絮體相互粘合,在旗袍浮力的作用下,絮體與氣泡一起上升到液面,形成浮渣,浮渣由刮渣機刮至污泥區。下層的清水通過集水管排出。處理后的清水一部分回流至溶氣系統,供溶氣系統使用,另一部分經過活性炭過濾器進行二次吸附過濾,*終排放。
三、設備參數
氣浮設備按處理能力可分為:1、3、5、10、20、30、40、50、60、80、100、150、200、250、300m3/h等規格,也可根據用戶需求設計。
經氣浮處理后的污染物去除率如下表:
項目 | 鋅銅鎳鉻等重金屬離子 % | 色 % | CODcr % | SS % | 其他 % |
酒精廢水 | ≥30 | ≥40 | ≥85 | ||
電鍍廢水 | ≥85 | ||||
化工廢水 | ≥90 | ≥45 | |||
食油廢水 | ≥50 | ≥85 | ≥85 | ||
造紙廢水 | ≥55 | ≥85 | |||
制革廢水 | ≥50 | ≥85 | |||
印染廢水 | ≥80 | ≥40 |
因被處理廢水水質差異很大,以上數據僅供參考。